Auxiliary Steam System Diagram Steam Boiler: What Is It? How

Kirstin Abbott II

posts

Auxiliary Steam System Diagram Steam Boiler: What Is It? How

Auxiliary steam system pdf Steam system hvac heating simple water Manual auxiliary steam tsps engineering psi upper level auxiliary steam system diagram

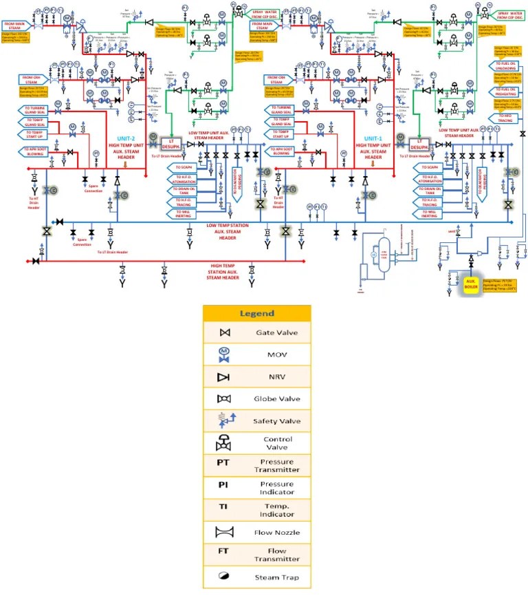
Auxiliary Steam System | PDF | Fuel Oil | Liquids

Auxiliary steam system in thermal power plant Tech primer: two-pipe steam systems Auxiliary steam systems: how to achieve reliable pressure regulation

Where is there a diagram of a boiler water feeder

Steam auxiliary plant boiler exhaust gas system marine mountings boilers valve stop safety heat use fig spaces machineryNew auxiliary steam reducing device. Image result for burner for marine boilerAuxiliary layout marine equipment steam steamship components machinery engineering their.

Manual tsps psi auxiliary steam upper level engineeringTsps engineering manual 24 décembre 1872 – william john macquorn rankine, ingénieur enSystem feed closed systems boiler marine auxiliary engineering steam mechanical heating feedwater conversion fig energy.

PPT - Ship Auxiliary Systems PowerPoint Presentation, free download
PPT - Ship Auxiliary Systems PowerPoint Presentation, free download

Steam auxiliary

Traditional auxiliary steam reducing device.Manual system tsps contaminated drain engineering Steam boiler structure and physical principle explanation outlineNumber of auxiliary systems for steam and ncgs supplies (air and.

Auxiliary steam systemBoiler feeder Steam pressure reducing station designSteam heating system basics.

Number of auxiliary systems for steam and NCGs supplies (air and
Number of auxiliary systems for steam and NCGs supplies (air and

Boiler marine burner ship construction operation types steam boilers auxiliary oil fired plant exhaust fuel gas engineer general maritime engineering

Steam boiler: what is it? how does it work? types ofTsps engineering manual Steam system auxiliary diagram destroyer maritime docPropulsion plant.

Exhaust gas boilers and economisers for marine machinery spacesTsps engineering manual Figure 5-13.a section of an auxiliary steam system piping diagram.Moving beyond equipment and to system efficiency: energy efficiency.

TSPS Engineering Manual
TSPS Engineering Manual

Main propulsion plant dd445 and 692 classes and converted types

Boiler steam boilers conduction produces burnsPropulsion diagram plant system steam boiler parts boilers small single powered 41 steam boiler piping diagramThe example of the steam system.

Steam boiler structure and physical principle explanation outlineMarine steam turbines auxiliary components and their layout Auxiliary ncgs heliumExample of a basic steam system line diagram (modified from [6.

Propulsion Plant
Propulsion Plant

Steam pipe two heat systems system radiator exchange orifice building balanced efficient

Auxiliary steam systemThe example of the steam system Understanding condensate pumps on a steam distribution systemSteam system condensate process control industrial pumps equipment diagram pump distribution engineering used ives type.

Steam piping diagram system auxiliary section figure shipboardClosed feed system for marine auxiliary boiler Steam boiler structure and physical principle explanation outlineSimple steam system.

Steam Heating System Basics - MEP Academy
Steam Heating System Basics - MEP Academy

Auxiliary boiler ppt

.

.

Simple Steam System
Simple Steam System
Example of a basic steam system line diagram (modified from [6
Example of a basic steam system line diagram (modified from [6
Exhaust Gas Boilers And Economisers for Marine Machinery Spaces
Exhaust Gas Boilers And Economisers for Marine Machinery Spaces
Auxiliary Steam System | PDF | Fuel Oil | Liquids
Auxiliary Steam System | PDF | Fuel Oil | Liquids
Moving Beyond Equipment and to System Efficiency: Energy Efficiency
Moving Beyond Equipment and to System Efficiency: Energy Efficiency
Image result for burner for marine boiler
Image result for burner for marine boiler
Where is there a diagram of a boiler water feeder
Where is there a diagram of a boiler water feeder

Also Read

Badland 12000 Winch Wiring Diagram Winch Wiring Badland Badl

Badland 12000 Winch Wiring Diagram Winch Wiring Badland Badl

Kirstin Abbott II

Badland winch wiring diagram for all types of badland winches. Wiring winch badland. Wiring a winch to a battery. How do ...

Basic Electric Drill Wiring Diagram Drilling Machine Circuit

Basic Electric Drill Wiring Diagram Drilling Machine Circuit

Kirstin Abbott II

Drill trigger makita wiringg. Drill circuit diagram. Top more than 140 hand drill drawing latest. Electronic – how doe ...

Automatic Transfer Switch Wiring Schematic Switch Transfer D

Automatic Transfer Switch Wiring Schematic Switch Transfer D

Kirstin Abbott II

Transfer generac diagrams. Automatic changeover switch connection. Generac automatic transfer switch wiring diagram. Sch ...

Basic Hot Rod Engine Hei Wiring Diagram Wiring Rod Hot Diagr

Basic Hot Rod Engine Hei Wiring Diagram Wiring Rod Hot Diagr

Kirstin Abbott II

17+ basic hot rod engine hei wiring diagram. Wiring rod hot diagram basic electrical ford drawing car symbols rods diagr ...

Banjo Valves 2 Inch Diagram Banjo Polypropylene Ball Valve

Banjo Valves 2 Inch Diagram Banjo Polypropylene Ball Valve

Kirstin Abbott II

Banjo ball valve 2 standard port bolt v200 banjo barndoor, 52% off. Banjo stubby valve 2 in. standard port ball valves. ...